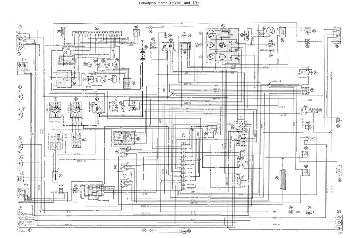
Schaltplan GT/E und SR als PDF
Erläuterung zum Schaltplan
BL = blau, HLB = hellblau, BR = braun, GE = gelb, GR = grau, GN = grün, RT = rot, WS = weiß, SW = schwarz, Li = lila, + = Widerstandskabel
1 Blinkleuchte
2 Scheinwerfer a Fern und Abblendlichtlampe, b Standlichtlampe
3 Scheinwerfer- Wischermotor, rechts
4 Nebelscheinwerfer
5 Fernscheinwerfer
6 Signalhorn
7 Scheinwerfer- Wischermotor, links
8 Magnetventil, Scheinwerferwaschanlage
9 Scheiben und Scheinwerferwascherpumpe
10 Scheiben und Scheinwerferwascherrelais
11 Zündspule
12 Verteiler
13 Regler (Bosch)
14 Fernscheinwerferrelais
15 Nebelscheinwerferrelais
16 Heizscheibenrelais
17 Blinkgeber
18 Öldruckgeber mit Schalter
19 Fernthermometer-Geber
20 Motorraumleuchte
21 Anlasser
22 Lichtmaschine (Bosch)
23 Lichtmaschine (Delco Remy)
24 Doppelrelais
25 Thermozeitschalter
26 Kaltstartventil
27 Zusatzluftschieber
28 Vorwiderstände
29 Magnetventil
30 Luftmengenmesser
31 Temperaturfühler
32 Steuergerät
33 Drosselklappenschalter
34 Batterie
35 Vergaßer - Starterklappenvorwärmung
36 Parkleuchte
37 Innenraumleuchte
38 Scheibenwischermotor
39 Türkontakt
40 Gebläse
41 Instrumentenleuchte
42 Sicherungskasten
43 Zünd- und Anlaßschalter
44 Parkleuchtenschalter
45 Licht- und Innenraumleuchtenschalter
46 Signalschalter mit Scheibenwischerschalter
47 Instrumente
a Spannungsstabilisator, b Handbrems- und Kupplungskontrollleuchte, c Fernlichtkontrolle, d Öldruckschalter, e Ladekontrolleuchte, f Warnblinkkontrolleuchte, g Blinkerkontrolleuchte, h Kraftstoffanzeigegerät, i Fernthermometer, k Voltmeter, I Öldruckmanometer, m Drehzahlmesser.
48 Zigarrenanzünder
49 Zeituhr
50 Uhren-, Zigarrenanzünder- und Handschuhkastenleuchte
51 Kupplungskontrollschalter
52 Handbremskontrollschalter
53 Radio
54 Tankmeßgerät
55 Kraftstoffpumpe
56 Gebläseschalter
57 Nebelscheinwerferschalter
58 Wählhebelschalter
59 Wählhebelleuchte
60 Rückfahrleuchtenschalter
61 Bremslichtschalter
62 Nebelschlußleuchtenschalter
63 Heizscheibenschalter
64 Heizscheibe
65 Kofferaumleuchte
66 Kofferaumleuchtenschalter
67 Heckleuchte
a Blinklampe, b Schlußlampe, c Bremslampe, d Rückfahrlampe.
68 Nebelschlußleuchte
69 Kennzeichenleuchte
